Устройство. Основные технические характеристики
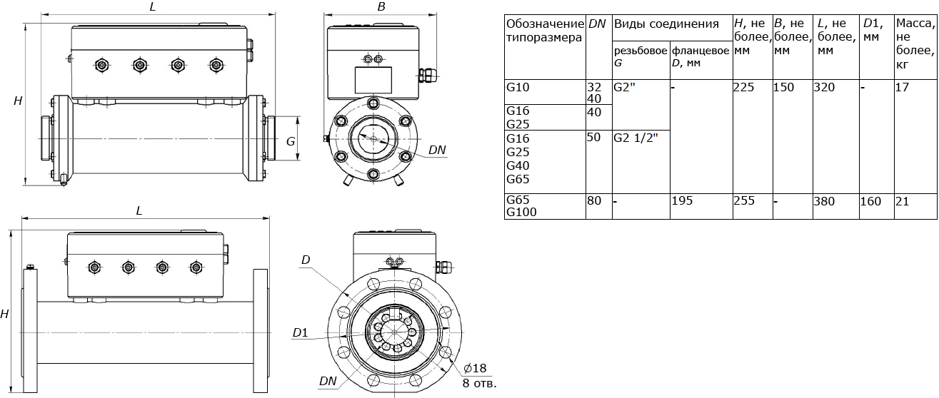
Габаритные размеры и масса комплекса
Изображение правого блока
При нахождении комплекса во взрывоопасной зоне подключение всех линий связи, внешнего источника питания может производиться только с использованием сертифицированных барьеров искрозащиты.